This design describes using PIC18F452 with graphic display (drivers KS0107 and KS0108).
PCB was designed as universal, all of the important I/O pins are available on connectors. You can see it at the following pictures:

From left side
From right side
And here is picture of PCB:
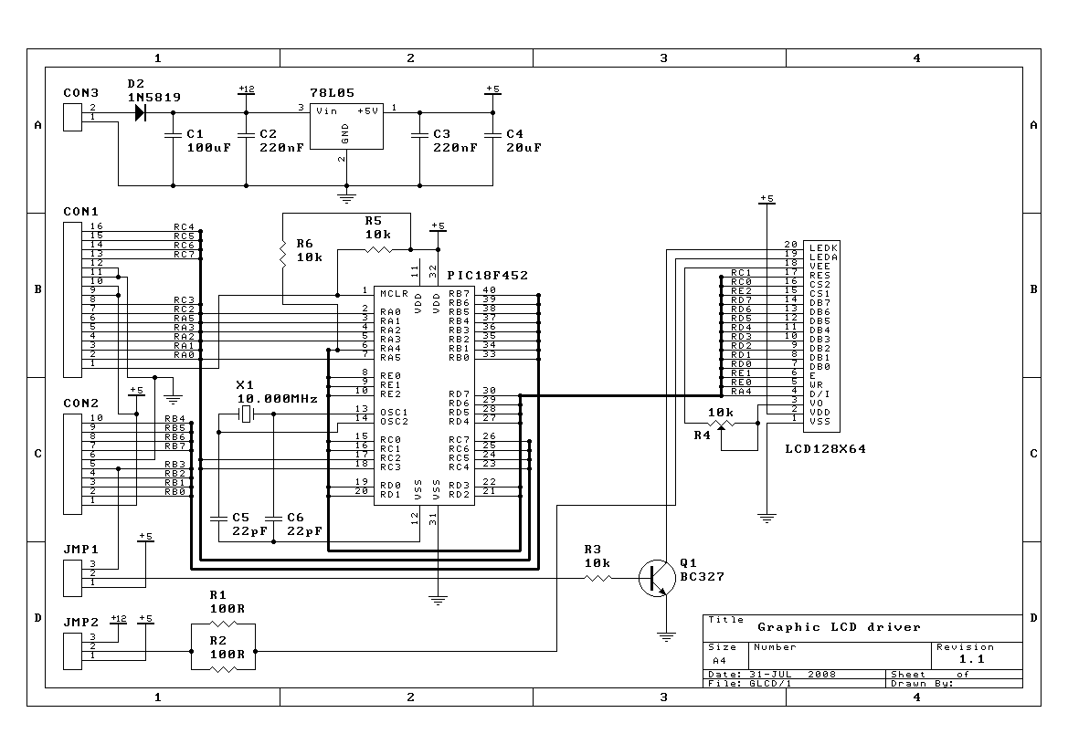
Scheme is at the following picture:
and example of hex code: