Contacts & links

Designer

Name days

Today:
Tomorrow:

Weather

Počasí Hradec Králové - Slunečno.cz

Other

Actual date:

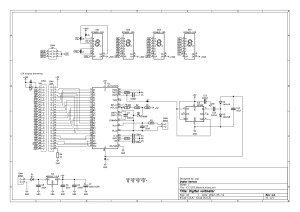
ICL7107 Voltmeter Module

As the price of ICL7107 decreased dramatically through the time, I decided to use my stocks to build modules with this integrated circuit for various purposes.

Therefore I designed the PCB, which is divided into two parts, but can be manufactured as one. The 2 parts are connected with a right angle 25 pin header, which allows the LED display to sit vertically, while the driver is horizontally oriented.

Or you can use wires for connection between boards.

The LED 7-segments digits are with standard 14.2 mm height, on first position it is possible to use "-1" modification (the jumpers in the back of display PCB are self explaining).

You can see the module schematics, layout and 3D simulation of PCB on the following pictures:

ICL7107 Voltmeter Module - Schematics

ICL7107 Voltmeter Module_ - Layout

ICL7107 Voltmeter Module PCB - Top

ICL7107 Voltmeter Module PCB - Bottom

And Gerber files are here:

ICL7107_Module_Gerber.zip