Contacts & links

Designer

Name days

Today:
Tomorrow:

Weather

Počasí Hradec Králové - Slunečno.cz

Other

Actual date:

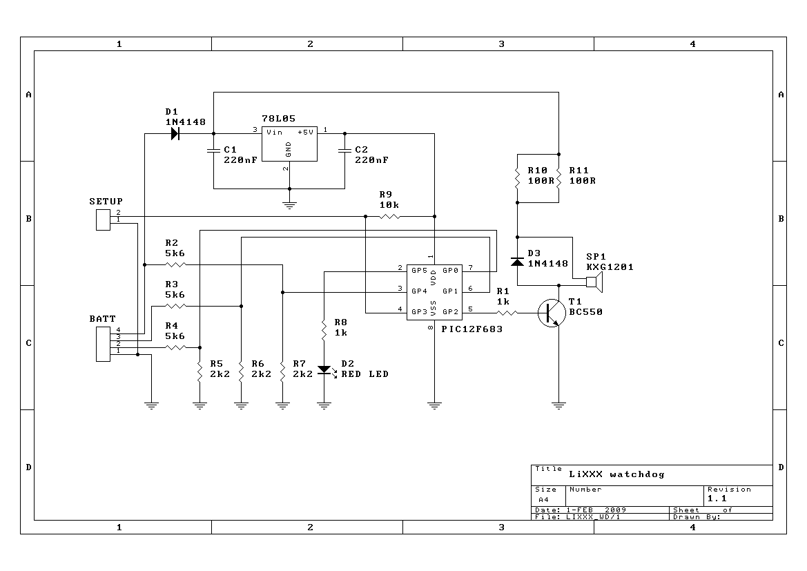
PIC12F683 based LiXXX accumulator watchdog

In this design is microcontroller (PIC12F683) used as monitor of three cells composed accumulator. Voltage of cells, when alarm starts, is possible to set up by jumper closed at power on process. Voltage is then shown by count of beeps. From 1x beep … 3.5V in steps down of 0.1V to 9x beep … 2.7V. At right number of beeps there is need to pull out jumper. After start of normal function, there are beeps or one beep (shown set voltage) in the beginning, and after falling of voltage under set limit beeps start indentifying cell by count of beep (1x – closed to GND, 2x – middle, 3x – closed to plus pole, or combinations of these). At the same moment, LED blinks together with sound. Scheme is very simple. Device is produced on PCB, which you can download:

LiXXX watchdog bottom side

LiXXX watchdog bottom side

LiXXX watchdog top side

LiXXX watchdog top side

This is old version – built on universal PCB.

Scheme:

hex code for PIC:

lixxx_wd.hex

PCB:

lixxx_wd_pcb.pdf