Contacts & links

Designer

Name days

Today:
Tomorrow:

Weather

Počasí Hradec Králové - Slunečno.cz

Other

Actual date:

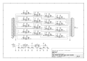
Parallel Port (LPT) Logic Levels Converter

It was a long time ago, when I first used the Willem EPROM programmer. As the time is going quickly, someone could see this programmer is obsolete already. But there is a simple, but big advantage of this device - low level modification possibility!

One of the requirements at the moment is decreasing supply voltage of modern chips. Therefore it is important to have the ability of modern programmers to fulfill datasheet specification.

This is an easy task for someone, who has access to schematics and basic skills in electronics.

But the basics for such a solution is compliance with interface inputs. And low supply voltage relates to low input logic levels. In this case 3.3V conversion (from and to) 5.0V is solved by this design.

The design is intended to build in a reduction cover with supply cable lead through the side wall of the plastic cover.

You can see the converter schematics, layout and 3D simulation of PCB on the following pictures:

Parallel Port Logic Levels Convertor - Schematics

Parallel Port Logic Levels Convertor - Layout

LPT Logic Levels Converter PCB - Top

LPT Logic Levels Converter PCB - Bottom

And Gerber & BOM files are here:

LPT_Levels_Converter_Gerber.zip

LPT_Levels_Converter_BOM.pdf