Contacts & links

Designer

Name days

Today:
Tomorrow:

Weather

Počasí Hradec Králové - Slunečno.cz

Other

Actual date:

OpenPnP Driver compatible with SmoothieBoard for OpenPnP machine

The purpose of this design is to offer a solution compatible with the official SmoothieBoard. The idea is to have PCB compatible also with Erich DIY SMT Pick&Place Machine.

And let me thank Erich for his great job and description of his machine building process + sharing all the important ideas and aspects.

And big thanks also to smoothieboard for their perfect design, support and documentation.

OpenPnP Driver board

OpenPnP Driver board

Here, you can see the 3D model from KiCad ...

OpenPnP Driver Layout

... the PCB Layout (be careful, values of some components & silkscreens have changed, gerber files and BOM in the zip file below are updated) ...

OpenPnP Driver board finished

... finished board with TMC2209 stepper motors drivers ...

OpenPnP Driver board finished

... and with heatsinks sticked.

Notice: two possible alternatives of SD card slots are used. Select just one of them (mine is on the bottom side of PCB), depending on what type of slot is available.

You can download the complete zip file with gerber files for version 1.1 and documentation inside it here (there are minor changes from version 1.0 to 1.1 in silkscreens and values of some components, BOM is OK):

OpenPnPDriver.zip

Update July 15th, 2023:

I reworked the PCB little bit (even the schematics) ... added the option to split the supply voltage to stepper motors and peripherals (internal 12V can be used), added protective diodes to peripheral outputs, the sizes of some electrolytic capacitors were also increased, and other minor changes were made.

Pictures:

OpenPnP Driver ver. 1.3 board

OpenPnP Driver ver. 1.3 board

Layout:

OpenPnP Driver ver. 1.3 Layout

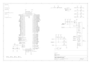
Schematics:

OpenPnP Driver ver. 1.3 Schematics

Bill of materials:

OpenPnPDriver13BOM.pdf

Gerber files:

OpenPnPDriver13Gerber.zip

I tested the board successfully, and it works as expected.