Contacts & links

Designer

Name days

Today:
Tomorrow:

Weather

Počasí Hradec Králové - Slunečno.cz

Other

Actual date:

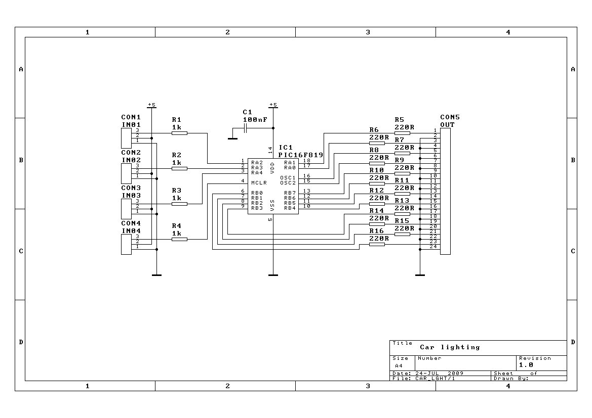
RC car lighting

Although I haven’t got any RC car, my friend asked me for programming of RC car lighting system. I produced the code for the PIC16F819 microcontroller from Microchip. Finally, it can have 4 PPM channels as input (I used 3) and 12 outputs (5 of them are used) able to drive max. 25mA per one output (but max. 200mA in total!).

RC car lighting system

RC car lighting system

Outputs are:

  1. blinkers = direction – 2x (RB0, RB2)
  2. back light – 1x (RA1)
  3. brake light – 1x (RA7 = OSC1)
  4. pass-lights – 1x (RB5)
  5. “strobo” light -1x (RB7)

RC transmitter controlls these lights depending of driving the car. Direction is dependent on rotation of steering wheel (input 1 - it has to be the lowest channel number) and brake is active in case of back throttle (input 2). After some period of time, brake lamp switches off and back light switches on. Pass-lights have a possibility to switch them remote (input 3). Input 4 is not used at the moment. Strobo light blinks regularly twice per one cycle.

You can download the code for PIC16F819 and the PCB design.