Contacts & links

Designer

Name days

Today:
Tomorrow:

Weather

Počasí Hradec Králové - Slunečno.cz

Other

Actual date:

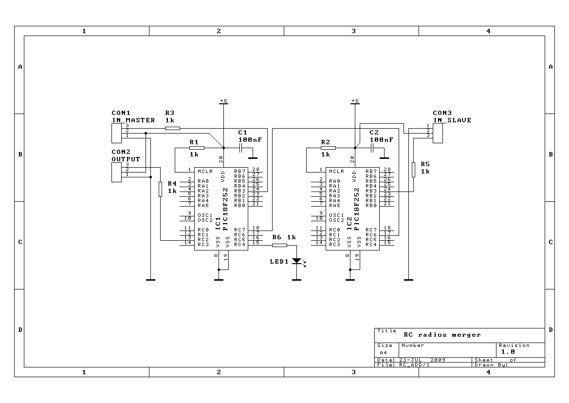
RC radios signal merger

There are many systems transmitting on 2.4GHz available at the moment. Some of them are able to transfer more than 8 channels typical for standard PPM modulation systems. One of example is made by the czech company “JETI model” - JETI DUPLEX. Their system is capable to transfer up to 16 channels. It is opportunity to control more devices than model itself … camera, autonomous navigation. The only task is to merge signal from two RC transmitters with the result usable as input to the transmitter module (PPM signal too).

I solved this task with two microcontrollers PIC18F252, called “MASTER” and “SLAVE”.

RC merger

RC merger

The SLAVE (IC2) scans pulses from slave RC radio and translate them to the serial communication protocol (19200Bd, 8 data bits, no parity, 1 stop bit; H’FFFF’ as synchronization bytes at the beginning, 2 bytes (16 bits) for every channel … 18 bytes in frame). This information is sent to master microcontroller.

The function of MASTER (IC1) is to scan PPM pulses from master RC radio and buffer them as well as receive bytes (serial link) from slave microcontroller and buffer them too. Then these buffered data transmitt as PPM standard with 16 channels, but in half rate (25Hz) due to number of channels and timing of PPM standard.

You can use the following link to download the code for both of two PIC microcontrollers:

RC_MERGER.zip

After power ON and in case of unplugged slave RC transmitter, RC merger repeats only channels from master TX (8 channels). LED is switched off. In case of succesfull slave TX connection, LED becomes light up and RC merger switches to 16 channels mode. First 8 channels are derived form master TX, other 8 channels is the copy of slave TX. In case of slave signal corruption, LED is blinking, otherwise it lights continuously. If the signal of any transmitter doesn’t contain 8 channels, RC merger adds it’s output to 8 / 16 channels. Not used channels are set to pulse length of 1.5ms (center). In case of any transmitter unplugged signal, RC merger repeats last received state.

In this way You can definitely add signal of one RC transmitter to second one.