Contacts & links

Designer

Name days

Today:
Tomorrow:

Weather

Počasí Hradec Králové - Slunečno.cz

Other

Actual date:

Raspberry Pi Power Switch
Raspberry Pi Power Supply Unit
Raspberry Pi Battery Supply Unit
Raspberry Pi Power BackUp Solution

The target of this design is to provide power supply and backup energy for Raspberry Pi. It was designed in the format of Raspberry Pi Zero to build a stackable complex in the end.

You can see the PSU board above Raspberry Pi 3B+ in the following picture:

RPi PSU ver. 1.2

and the same assembly with connected battery to the PSU board:

RPi PSU ver. 1.2 with battery

I used a cheap LiIon battery charger + DC-DC step up booster from AliExpress for battery management as well as for voltage conversion to 5.1V on its output. It works flawlessly. Don't forget to set appropriate voltage before soldering the module!

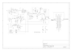
The schematics of Power Supply Unit:

RPi PSU ver. 1.3 Schematics

PCB layout:

RPi PSU ver. 1.3 Layout

The PCB design files in Gerber format and BOM were exported from KiCad and are downloadable here:

RPi_PSU_Gerber.zip

RPi_PSU_BOM.pdf

I also created an installing script for Raspberry Pi to monitor buttons and battery low voltage of the connected board. Just run it from the command line.

RPi_PSU_PwrCtrl.sh