Contacts & links

Designer

Name days

Today:
Tomorrow:

Weather

Počasí Hradec Králové - Slunečno.cz

Other

Actual date:

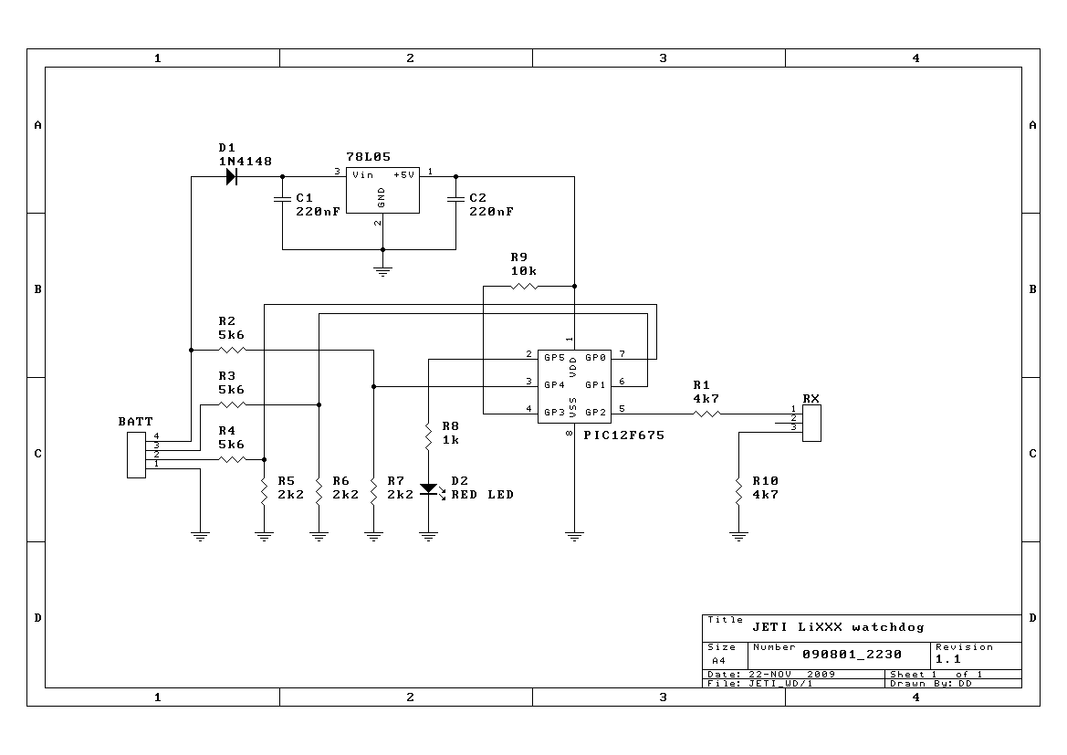
PIC12F675 battery monitor for JETI DUPLEX

I have published accumulator monitor (called LiXXX watchdog) one year ago. This design uses buzzer to signalize low voltage cell(s) of three cells LiPol / LiIon / LiFePo battery.
Now it’s the time for more sophisticated entrance. One possibility is using of JETI DUPLEX 2.4GHz system. It allows to transmitt data back to transmitter (TX module) and display them with JETIBOX. The idea to use this feature for monitoring state of battery cells is then obvious.

JETI DUPLEX battery monitor

JETI DUPLEX battery monitor

I realized this monitor on PCB, You can download here: JETI DUPLEX battery monitor PCB.

Only two things have changed from previous version of monitor - processor type (it’s cheaper one :-) ) and monitor’s output: there isn’t output transistor already and pin 5 (GP2) from PIC12F675 is connected with data IN/OUT of JETI DUPLEX receiver (EXT. socket) with help of 4.7 kohm resistor. Second wire from the receiver is GND (-), which is connected with this monitor also via the 4.7 kohm resistor (prevents high current in case of unconnected main GND wire …). You can see all the changes at the scheme above.

Alarm limit voltage is possible to set with JETIBOX (as remote controlled … of course). Default limit voltage is 3.0V (after You programm the microcontroller).

After power on (connecting to accumulator service – balancing connector), initial screen is displayed, TX module is beeping (long high tone folowed by 4x short beeps). After some time beeps stop and LED is blinking, where count of blinks means limit voltage (1x => 3.5V to 10x => 2.6V). At the same time alarm limit and cells voltages are available to see at the JETIBOX display. After entering to “Set alarm limit” menu (press RIGHT button) LED is lighting continuously. LEFT and RIGHT buttons allow You to change limit voltage from 2.6V to 3.5V with step of 0.1V (10 steps). UP key saves data to EEPROM. System autonomously returns to main screen without change after some period of time (safety purpose).

In case of low voltage of any battery cell, monitor sends periodically beeping to TX module. Beeping consist of one high beep folowed by three short or long beeps on the battery’s cells “position”, where short beep means cell with voltage over set limit, but long beep means cell with low voltage! “Position” of cells: first one of three beeps is cell closest to the minus pole of battery, last (third) one is cell close to plus pole of accumulator.

As usual, I am attaching JETI DUPEX battery monitor hex file for PIC12F675 programming.