Contacts & links

Designer

Name days

Today:
Tomorrow:

Weather

Počasí Hradec Králové - Slunečno.cz

Other

Actual date:

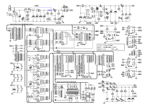
Willem EPROM Programmer Adapters

First of all, thanks to Luciano, who published an article about Converting Willem Programmer PCB3b to PCB4.5 and Kat Manton from UK Vintage Radio forum, I was able to get schematics of Willem EPROM Programmer.

Version 3b:

Willem EPROM Programmer ver. 3b Schematics

Version 4.5 (changes from version 3b are in blue color):

Willem EPROM Programmer ver. 4.5 Schematics

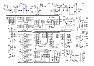
Version 5.0:

Willem EPROM Programmer ver. 5.0 Schematics

But I found the small deviation on my PCB V50a (in blue color again):

Willem EPROM Programmer ver. 5.0 Schematics Updated

It is important to notice this fact, as I replaced diode D12 by the 3.3V linear regulator (to have the whole programmer 3.3V compatible) and without reconnecting Q3 emitor to VCC, supply voltage of programmed chips remains 5.0V (VREG). There is also too high saturation voltage of Q3 (0.6V) and supply voltage could be too low after that. The possible solution seems to be to replace Q3 with a P-FET transistor (for example AO3401) for this reason and connect its source to VCC. The value of R7 should be increased as well (to 100k in my case). When 3.3V is used, there is also relatively high drop down voltage on diode D9, therefore it is advantageous to bypass it by jumper.

The modified schematics is on following picture and changes are in blue color again:

Willem EPROM Programmer ver. 5.0 Schematics Modified

And real situation is shown on pictures bellow:

Picture of 3.3V adapter ... populated instead of D12.

Willeprog 3V3 Adapter Solution Willeprog 3V3 Adapter Solution

AO3401 instead of BC327-25 ... notice the transistor is upside-down and R7 (second resistor to the right from transistor) has a value of 100kOhm.

Willeprog Q3 Replacement Solution

Picture of D9 bypass by jumper.

Willeprog D9 Bypass Solution Willeprog D9 Bypass Solution

Following designs provide you the possibility to program various chips by Willem EPROM Programmer, mentioned above.

You can see / download the pictures of boards, schematics, board layouts and gerber files.

Willem EPROM Programmer - Test / Diagnostic Tool

Willeprog Diagnostic Tool PCB Top

Willeprog Diagnostic Tool PCB Bottom

Willeprog Diagnostic Tool - Schematics

Willeprog DIagnostic Tool - Layout

The PCB design files in Gerber format were exported from KiCad and are downloadable here:

Willeprog_Diagnostic_Tool_Gerber.zip

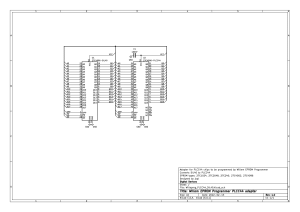
Willem EPROM Programmer - EPROM 16bit Adapter

Willeprog EPROM 16bit Adapter PCB Top

Willeprog EPROM 16bit Adapter PCB Bottom

Willeprog EPROM 16bit Adapter - Schematics

Willeprog EPROM 16bit Adapter - Layout

The PCB design files in Gerber format were exported from KiCad and are downloadable here:

Willeprog_EPROM_16bit_Adapter_Gerber.zip

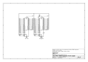
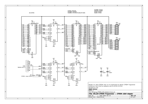
Willem EPROM Programmer - PLCC44 Adapter for EPROM types 27C1024, 27C2048, 27C240, 27C4002 and 27C4096

This adapter is the adapter between the ZIF40 of the Willem Programmer EPROM 16bit Adapter mentioned above and the PLCC44 socket.

Willeprog DIL40 - PLCC44 Adapter PCB Top

Willeprog DIL40 - PLCC44 Adapter PCB Bottom

Willeprog DIL40 - PLCC44 Adapter - Schematics

Willeprog DIL40 - PLCC44 Adapter - Layout

The PCB design files in Gerber format were exported from KiCad and are downloadable here:

Willeprog_PLCC44_DIL40_Gerber.zip

Willem EPROM Programmer - PLCC44 Adapter for EPROM types 27C400, 27C800, 27C160 and 27C322

This adapter is the adapter between the ZIF48 of the Willem Programmer EPROM 16bit Adapter mentioned above and the PLCC44 socket.

Willeprog DIL42 - PLCC44 Adapter PCB Top

Willeprog DIL42 - PLCC44 Adapter PCB Bottom

Willeprog DIL42 - PLCC44 Adapter - Schematics

Willeprog DIL42 - PLCC44 Adapter - Layout

The PCB design files in Gerber format were exported from KiCad and are downloadable here:

Willeprog_PLCC44_Adapter_Gerber.zip

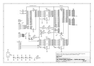
Willem EPROM Programmer - 28FXXX & 29FXXX TSOP48 8/16 bit Adapter

This adapter is the converter from DIL32 & extension port of Willem EPROM Programmer and TSOP48 ZIF socket, purchased on AliExpress.

Some of the chips need supply voltage 3.3V, therefore, please, modify the Willem EPROM Programmer appropriately (green box above) and use Parallel Port (LPT) Logic Levels Converter.

Willeprog TSOP48 8/16 bit PCB - Top

Willeprog TSOP48 8/16 bit Adapter PCB - Bottom

Willeprog TSOP48 8/16 bit Adapter - Schematics

Willeprog TSOP48 8/16 bit Adapter - Layout

The PCB design files in Gerber format were exported from KiCad and are downloadable here:

Willeprog_TSOP48_8bit_16bit_Gerber.zip

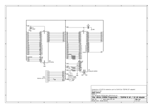
Willem EPROM Programmer - 28FXXX & 29FXXX/29LVXXX TSOP48 16 bit Adapter

This adapter is the converter from DIL32 & extension port of Willem EPROM Programmer and TSOP48 ZIF socket, purchased on AliExpress.

Some of the chips need supply voltage 3.3V, therefore, please, modify the Willem EPROM Programmer appropriately (green box above) and use Parallel Port (LPT) Logic Levels Converter.

Willeprog 28FXXX 29FXXX/29LVXXX TSOP48 16 bit Adapter PCB Top

Willeprog 28FXXX 29FXXX/29LVXXX TSOP48 16 bit Adapter PCB Bottom

Willeprog 28FXXX 29FXXX/29LVXXX TSOP48 16 bit Adapter - Schematics

Willeprog 28FXXX 29FXXX/29LVXXX TSOP48 16 bit Adapter - Layout

The PCB design files in Gerber format were exported from KiCad and are downloadable here:

Willeprog_TSOP48_16bit_Gerber.zip