Contacts & links

Designer

Name days

Today:
Tomorrow:

Weather

Počasí Hradec Králové - Slunečno.cz

Other

Actual date:

Arduino LiXXX battery monitor & altimeter + vario for JETI DUPLEX with Arduino Pro Mini and MS5611

I published already LiXXX accumulator monitor (PIC12F683 based LiXXX accumulator watchdog) and the similar project for JETI DUPLEX (PIC12F675 battery monitor for JETI DUPLEX). All of the designs signalize voltage of three cells in LiPol / LiIon / LiFePo battery, either by buzzer beeping or by values displayed on JETIBOX LCD and beeping through JETI Tx module.
Now I am introducing another option to have more complex data from RC model through the JETI DUPLEX 2.4GHz system. New design allows to transmitt altitude and battery cells’ status back to transmitter (via Tx module) and display them with JETIBOX. The idea is to use barometer sensor (MS6511) for monitoring altitude and vario and A/D converter of Arduino Pro Mini for measuring of battery.

JETI DUPLEX battery monitor with altitude and vario

JETI DUPLEX battery monitor with altitude and vario

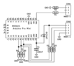
I produced this monitor with help of Arduino Pro Mini module, GY86 module (using MS6511 only) and one small supportive PCB, milled by myself. On the following picture you can see the schematics:

JETI DUPLEX battery monitor with altitude and vario - schematics

Layout with BOM:

JETI DUPLEX battery monitor with altitude and vario - layout

And other views from various perspectives:

JETI DUPLEX battery monitor with altitude and vario JETI DUPLEX battery monitor with altitude and vario JETI DUPLEX battery monitor with altitude and vario JETI DUPLEX battery monitor with altitude and vario

You can download PCB Gerber data or G-code for PCB milling: JETI DUPLEX battery monitor and vario PCB Geber data, JETI DUPLEX battery monitor and vario PCB G-code data.

You can also download "ino" code for Arduino here: JETI DUPLEX battery monitor and vario ino code.

For successful compilation in Arduino 1.8.1 environment you will need modified serial port library (JETIBOX needs unusually serial port with 9 bits, odd parity and 2 stop bits) and MS5611 library.